主要特點
? 頻率范圍:DC - 8.5GHz
? 1GHz瞬時帶寬,無需混頻器校準
? 2或4個讀取通道,可讀取多達64個量子比特
? 實時信號處理,包含匹配濾波器和多量子態鑒別
? 14位輸入輸出分辨率
? 4GSa/s輸入采樣率,6GSa/s輸出采樣率
? 控制軟件包括:LabOne?和LabOne Q或Python、C、MATLAB?,LabVIEW?和.NET的應用程序接口(API)
產品亮點
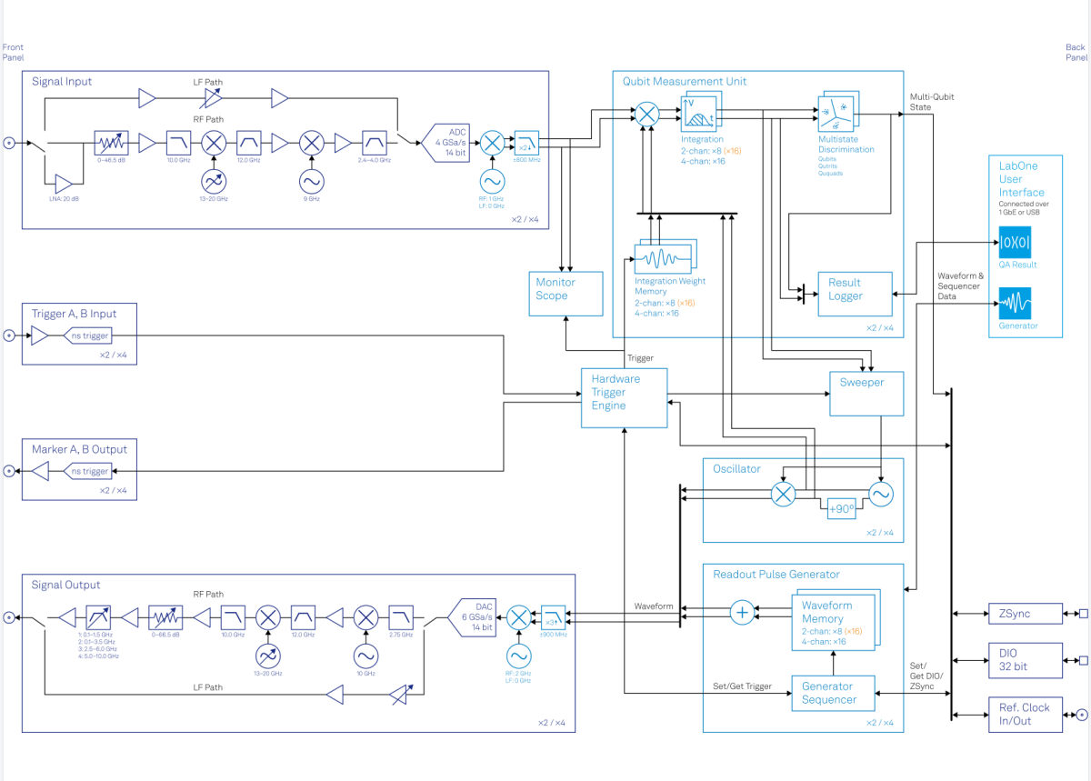
①高保真度快速讀取

SHFQA通過脈沖測量方式來確定被測設備的傳輸幅度和相位。SHFQA通過兩種方法最大化信噪比(SNR):脈沖整形和匹配濾波。使用任意波形發生器進行脈沖整形,即使對于響應速度較慢的設備,也可以最大程度地縮短振鈴時間。
②可擴展的量子比特讀取儀器
通過任意波形發生器中的存儲模塊 (最多16個)按時間交錯方式讀取和觸發qubit,qutrit或quaquad的讀取。用戶可以選擇2或4個讀取通道,并將2通道版本的積分器的數目從8個擴展到16個。為了實現高集成度,SHFQA可以與其他儀器共用操作界面,以實現快速有效的量子比特復位。對于多量子比特系統,可以通過將多個SHFQA,SHFSG,HDAWG,HDIQ和QHub組合在一起,以形成可擴展的量子計算控制系統(QCCS)。
③無需混頻器校準的頻率上轉換,高達8.5GHz
當讀取耦合至相同諧振腔的多個量子比特的量子態時,由于SHFQA的雙超外差上變頻方案采用的是濾波而不是干涉的方法,因此頻帶更寬,相對于標準的IQ混頻方案其線性度更優。SHFQA即使只用于輸出單一頻率,其雜散也低于使用標準的IQ混頻方案,因此可實現開機即用。
④量子系統控制軟件
LabOne Q控制軟件是QCCS的重要組成部分,它可以將SHFQA完全整合到新的或現有的設備。SHFQA可以完全通過 LabOne 和 API (Python,C,MATLAB?,LabVIEW? 和 .NET 進行操控。
可選選件 — SHFQA-16W積分權重擴展選件
SHFQA-16W積分權重擴展選件提升了2通道SHFQA量子分析儀的讀取能力。利用16個積分權重單元,用戶可以定義16個匹配濾波器來分析同等數量的讀取信號的響應。
主要特點
? 積分權重單元數目由每通道8個增加到16個
? 波形存儲器數目由每通道8個增加到16個
? 每個通道可最多讀取16個qubit,8個qutrit或5個ququad

信號輸入 | |
RF 輸入通道數量 | 2 或 4 |
頻率范圍 | RF:0.5 - 8.5 GHz |
LF:DC - 800 MHz | |
瞬時帶寬 | 1GHz |
輸入阻抗 | 50Ω |
輸入電壓噪聲 | < 2.2 nV/√Hz (<-160dBm/Hz) @ -50dBm |
輸入范圍(dBm) | RF:-50dBm 至 10dBm |
LF: -30dBm 至 10dBm | |
A/D 轉換 | 14位,4GSa/s |
量子比特測量單元 | |
匹配濾波器 | 4通道選項:16個復數濾波器/讀出通道 |
2通道選項:8個復數濾波器/讀出通道(通過SHFQA-16W選件可擴展到16個) | |
每個濾波器的每個正交量可包含4096個存儲樣本 | |
多量子態鑒別 | 最多4個鑒別器 |
數據記錄儀 | 存儲容量:219個樣本,最多216次平均 |
信號監視器 | 存儲容量:監視1個通道時218個復數樣本,監視2個通道時217個樣本,監視3或4個通道時216個樣本 |
平均次數:最多216次平均 | |
信號輸出 | |
RF 輸出通道數 | 2 或 4 |
頻率范圍 | RF:0.5 - 8.5 GHz |
LF:DC - 800 MHz | |
瞬時帶寬 | 1.0GHz |
輸出阻抗 | 50Ω |
輸出范圍 (dBm) | RF:-50dBm 至 10dBm |
LF: -30dBm 至 5dBm | |
數模轉換 | 14位,6GSa/s |
讀取脈沖發生器 | |
任意波形發生器數量 | 每個讀取通道1個(總共2個或4個) |
時序功能 | 高級時序(循環,分支),命令表,高級觸發控制 (交錯讀取功能) |
波形存儲器模塊1 | 4通道配置:每通道總容量64kSa,即16個單元,每單元4kSa |
2通道配置:每通道總容量32kSa,即8個單元,每單元4kSa | |
2通道配置(包含SHFQA-16W選件):每通道總容量64kSa,即16個單元,每單元4kSa | |
振蕩器 | 所有讀取通道共享1個振蕩器,振蕩器的頻率和相位實時可控。僅用于頻譜 (Spectroscopy) 模式。 |
標記輸出通道數 | 2 |
觸發輸入通道數 | 2 |
一般規格 | |
讀取通道數 | 2 或 4 |
外型尺寸 | 449 x 460 x 145 mm(19英寸機架) |
17.6 x 18.1 x 5.7 英寸 | |
重量 | 15公斤(33磅) |
電源供應 | 交流電:100V - 240V,50/60 Hz |
連接器 | 前后面板上的SMA用于觸發,信號和外部時鐘 |
32位DIO | |
2個ZSync接口 | |
LAN或以太網,1Gbit/s | |
USB 3.0 | |
維護 USB | |
1 所有波形存儲模塊均可自由配置和觸發。 | |
量子計算應用
? 單發色散量子態讀取
? 射頻反射法讀取量子比特
? 頻率復用量子態讀取
? 共振光譜
? 低延遲和全局反饋式量子糾錯
支持的量子比特類型
? 超導量子比特
? 自旋量子比特
? 運用2量子態,3量子態和和4量子態的量子比特
其他應用
? 放大器噪聲表征
? 第三方IQ混頻器校準
