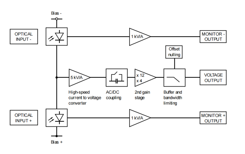
HBPR系列的光接收器/光檢測器由兩個反并聯連接的光電二極管和隨后的低噪聲跨阻放大器組成。光電二極管經過精心選擇和成對匹配,以實現盡可能高的共模比(CMRR)。 低輸入噪聲(NEP)和共模為MHz范圍內的平衡光接收器設定了標準,并實現了高靈敏度的信號檢測。 即使在高重復率和快速變化的信號形狀(例如在量子態層析成像中)的情況下,高帶寬也可以準確檢測激光脈沖。由于具有其他功能,例如可切換的帶寬限制(低通濾波器),獨立的快速監控器輸出,可調節的偏移量和可切換的AC / DC耦合,HBPR系列的光接收器是用途廣泛的平衡光接收器。
特性
? 帶寬高達500MHz
? 噪聲抑制(共模抑制比CMRR)高達55dB
? 極低噪聲,NEP低至3.7 pW/√Hz
? 硅(Si)或銦鎵砷(InGaAs)型號,
? 光譜范圍覆蓋320至1700nm
? 可切換的20MHz低通濾波器,用于zui小化寬帶噪聲
? 高增益高達60,000 V/A,可分兩級切換
? 可切換的輸出信號耦合方式(交流/直流)
? 快速直流耦合監控輸出,帶寬10MHz
? 輸入可選擇自由空間或光纖耦合
? 1.035″-40自由空間輸入螺紋,兼容許多光學標準系統
捕捉從直流(DC)到500MHz的最小光學差分信號
通過精確形成兩個輸入信號的差分,抑制了共模噪聲,例如使用的激光源的強度噪聲。這樣,可以從信號測量路徑中提取出最小光學信號,這些信號在噪聲水平下通常無法檢測。
HBPR系列的光電接收器/光電探測器由兩個反相并聯的光電二極管和隨后的低噪聲跨阻放大器組成。為了實現最大的共模噪聲抑制(CMRR),光電二極管經過精心選擇和成對匹配。低輸入噪聲(NEP)與極高的共模抑制相結合,為MHz范圍內的對稱(平衡)光電接收器設定了新的標準,并允許高度靈敏的信號捕捉。高帶寬允許精確捕捉具有高重復率和快速變化信號形式的激光脈沖,例如在量子態層析成像中。
由于其他裝備特性,如可切換的帶寬限制(低通濾波器)、獨立的快速監控輸出、可調節的偏置以及可切換的交流/直流耦合,HBPR系列的光電接收器是最多才多藝的對稱光電接收器。
兼容光學臺(自由空間)和光纖
自由空間輸入(FST)采用1.035″-40螺紋法蘭,配有可擰緊的耦合環,與不同制造商的光學配件具有廣泛的兼容性,例如透鏡、光管、籠子系統、光學適配器等。
相對較大的探測器面積簡化了自由空間應用中的光學聚焦,并在使用可選的光纖適配器時確保了高且穩定的耦合度。
直徑0.8毫米的自由空間SI型號光電探測器由于其較大的探測器面積,可以輕松且無顯著耦合損失地轉換為光纖連接(FC, FSMA),只需簡單擰緊可選的PRA系列光纖適配器。對于具有較小探測器面積的型號,例如直徑0.4 / 0.3mm,僅在特定條件下推薦使用光纖適配器,因為可能會出現耦合損失和不穩定性。如果重點在于高精度的光纖測量,通常使用帶有固定光學FC光纖輸入的FC型號會提供最佳結果。
所有HBPR光電接收器都配備了UNC 8-32和M4螺紋孔,可以舒適且穩定地安裝在市場標準的桿夾上,集成到光學系統中。

圖1光纖耦合版 圖2自由空間版
適用于320nm至1000nm光譜范圍的型號:

適用于800nm至1700nm光譜范圍的型號

以下規格適用于所有HBPR型號

偏置可通過電位器調節。輸出短路保護。供電電壓±15 V通過3針Lemo?插座。附帶合適的連接器。可選配PS-15系列電源適配器。更多細節請參閱數據手冊。
? 光學光譜學
? 相干異相檢測
? 光學量子態的同相檢測
? 光學相干層析成像(OCT)
? 干涉測量
? 光學延遲測量
? 示波器、頻譜分析器、模數轉換器和鎖相放大器的差分光學前端
